Stmievanie LED pásikov pomocou vypínača na stene
Domů > Magazín o LED svetlách a osvetlenie > Rady a tipy > Stmievanie LED pásikov pomocou vypínača na stene
Tento článok vám poskytne rady a pomoc pri prepojení vášho vypínača na stene (napríklad od firiem ABB a Schneider) s LED pásiky za účelom ich stmievanie.
POMOCOU STMIEVAČE S RIADIACIM SIGNÁLOM 0-10V ALEBO DALI PROTOKOLOM
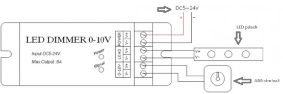
Stmievač dimLED musí byť napájaný spínaným zdrojom (12-24V), pozor na maximálne prúdové zaťaženie stmievače, ktoré je 8A. Pri použití viac metrov LED pásku odporúčame pripojiť aj zosilňovač. Stmievače so štandardom DALI zabezpečuje interoperabilitu medzi transformátory a stmievačmi práve u často používaného analógového stmievajúceho rozhranie 1-10V.

Zapojenie sa stmievačom 0-10V. Zapojenie stmievača s DALI štandardom je obdobné.
STMIEVANIE POMOCOU TLAČIDLA
Pripojením tlačidlá priamo na prijímač
Tlačidlo (napríklad od firiem ABB a Schneider) pripojíme priamo na prijímač pomocou káblov.

Zapojenie tlačidlá priamo na prijímač dimLED
Pomocou ovládača dimLED pod tlačidlo s dimLED prijímačom (bezdrôtové stmievanie)
Rádiofrekvenčný ovládač pod tlačidlo spárujte s prijímačom dimLED (podľa návodu priloženého u prijímača), na ktorý budú napojené LED pásiky. Vzhľadom k tomu že obe komponenty pracujú rádiofrekvenčne, môže byť prijímač schovaný napríklad za sadrokartónom. Prijímač musí byť napájaný spínaným zdrojom 12-24V (podľa voltáže LED pásikov) a jeho maximálne prúdové zaťaženie je 8A.

Zapojenie tlačidla na bezdrôtový dimLED ovládač pod tlačidlo spárovaný s dimLED prijímačom
